网站首页 >> 产品参数介绍

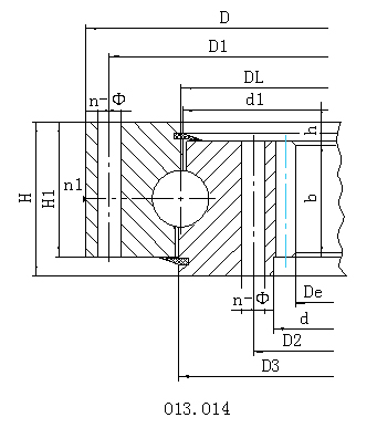
单排四点接触球式回转支承(01系列)——内齿式

结构特点、性能、适用范围
  单排四点接触球式回转支承由两个座圈组成,结构紧凑、重量轻、钢球与圆弧滚道四点接触,能同时承受轴向力、径向力和倾翻力矩。回转式输送机、焊接操作机、中小型起重机和挖掘机等工程机械均可选用。

序号

内齿式
DL
mm

外型尺寸

安装尺寸φ

结构尺寸

齿轮参数

齿轮圆周力

参考
重量
(kg)

D
mm

d
mm

H
mm

D 1
mm

D2
mm

n

mm

dm
mm

L
mm

n1
mm

D3
mm

d1
mm

H1
mm

h
mm

b
mm

x

M
mm

De
mm

z

正火
Z 104N

调质
T 104N

1

013.25.315

408

222

70

372

258

20

18

M16

32

2

316

314

60

10

50

0

5

190

40

2.9

4.4

42

2

013.25.355

448

262

70

412

298

20

18

M16

32

2

356

354

60

10

50

0

5

235

49

2.9

4.4

48

3

013.25.400

493

307

70

457

343

20

18

M16

32

2

401

399

60

10

50

0

6

276

48

3.5

5.3

48

4

013.25.450

543

357

70

507

393

20

18

M16

32

2

451

449

60

10

50

0

6

324

56

3.5

5.3

63

5

013.30.500

602

398

80

566

434

20

18

M16

32

4

501

498

70

10

60

0.5

5

367

74

3.7

5.2

90

014.30.500

6

368.4

62

4.5

6.2

5'

013.25.500

602

398

80

566

434

20

18

M16

32

4

501

499

70

10

60

0.5

5

367

74

3.7

5.2

90

014.25.500

6

368.4

62

4.5

6.2

6

013.30.560

662

458

80

626

494

20

18

M16

32

4

561

558

70

10

60

0.5

5

427

86

3.7

5.2

102

014.30.560

6

428.4

72

4.5

6.2

6'

013.25.560

662

458

80

626

494

20

18

M16

32

4

561

559

70

10

60

0.5

5

427

86

3.7

5.2

102

014.25.560

6

428.4

72

4.5

6.2

7

013.30.630

732

528

80

696

564

24

18

M16

32

4

631

628

70

10

60

0.5

6

494.4

83

4.5

6.2

116

014.30.630

8

491.2

62

6

8.3

7'

013.25.630

732

528

80

696

564

24

18

M16

32

4

631

629

70

10

60

0.5

6

494.4

83

4.5

6.2

116

014.25.630

8

491.2

62

6

8.2

8

013.30.710

812

608

80

776

644

24

18

M16

32

4

711

708

70

10

60

0.5

6

572.4

96

4.5

6.2

132

014.30.710

8

571.2

72

6

8.3

8'

013.25.710

812

608

80

776

644

24

18

M16

32

4

711

709

70

10

60

0.5

6

572.4

96

4.5

6.2

132

014.25.710

8

571.2

72

6

8.9

9

013.40.800

922

678

100

878

722

30

22

M20

40

6

801

798

90

10

80

0.5

8

635.2

80

8

11.1

224

014.40.800

10

634

64

10

14

9'

013.30.800

922

678

100

878

722

30

22

M20

40

6

801

798

90

10

80

0.5

8

635.2

80

8

11.1

224

014.30.800

10

634

64

10

14.1

10

013.40.900

1022

778

100

978

822

30

22

M20

40

6

901

898

90

10

80

0.5

8

739.2

93

8

11.1

252

014.40.900

10

734

74

10

14

10'

013.30.900

1022

778

100

978

822

30

22

M20

40

6

901

898

90

10

80

0.5

8

739.2

93

8

11.1

252

014.30.900

10

734

74

10

14

11

013.40.1000

1122

878

100

1078

922

36

22

M20

40

6

1001

998

90

10

80

0.5

10

824

83

10

14

292

014.40.1000

12

820.8

69

12

16.7

11'

013.30.1000

1122

878

100

1078

922

36

22

M20

40

6

1001

998

90

10

80

0.5

10

824

83

10

14

292

014.30.1000

12

820.8

69

12

16.7

12

013.40.1120

1242

998

100

1198

1042

36

22

M20

40

6

1121

1118

90

10

80

0.5

10

944

95

10

14

333

014.40.1120

12

940.8

79

12

16.7

12'

013.30.1120

1242

998

100

1198

1042

36

22

M20

40

6

1121

1118

90

10

80

0.5

10

944

95

10

14

333

014.30.1120

12

940.8

79

12

16.7

13

013.45.1250

1390

1110

110

1337

1163

40

26

M24

48

5

1252

1248

100

10

90

0.5

12

1048.8

88

13.5

18.8

467

014.45.1250

14

1041.6

75

15.8

21.9

13'

013.35.1250

1390

1110

110

1337

1163

40

26

M24

48

5

1251

1248

100

10

90

0.5

12

1048.8

88

13.5

18.8

467

014.35.1250

14

1041.6

75

15.8

21.9

14

013.45.1400

1540

1260

110

1487

1313

40

26

M24

48

5

1402

1398

100

10

90

0.5

12

1192.8

100

13.5

18.8

529

014.45.1400

14

1195.6

86

15.5

21.9

14'

013.35.1400

1540

1260

110

1487

1313

40

26

M24

48

5

1401

1398

100

10

90

0.5

12

1192.8

100

13.5

18.8

529

014.35.1400

14

1195.6

86

15.8

21.9

15

013.45.1600

1740

1460

110

1687

1513

45

26

M24

48

5

1602

1598

100

10

90

0.5

14

1391.6

100

15.8

21.9

607

014.45.1600

16

1382.4

87

18.1

25

15'

013.35.1600

1740

1460

110

1687

1513

45

26

M24

48

5

1601

1598

100

10

90

0.5

14

1391.6

100

15.8

21.9

620

014.35.1600

16

1382.4

87

18.1

25

16

013.45.1800

1940

1660

110

1887

1713

45

26

M24

48

5

1802

1798

100

10

90

0.5

14

1573.6

113

15.8

21.9

721

014.45.1800

16

1574.4

99

18.1

25

16'

013.35.1800

1940

1660

110

1887

1713

45

26

M24

48

5

1801

1798

100

10

90

0.5

14

1573.6

113

15.8

21.9

721

014.35.1800

16

1574.4

99

18.1

25

17

013.60.2000

2178

1825

144

2110

1891

48

33

M30

60

8

2002

1998

132

12

120

0.5

16

1734.4

109

24.1

33.3

1265

014.60.2000

18

1735.2

97

27.1

37.5

17'

013.40.2000

2178

1825

144

2110

1891

48

33

M30

60

8

2001

1998

132

12

120

0.5

16

1734.4

109

24.1

33.3

1265

014.40.2000

18

1735.2

97

27.1

37.5

18

013.60.2240

2418

2065

144

2350

2131

48

33

M30

60

8

2242

2238

132

12

120

0.5

16

1990.4

125

24.1

33.3

1393

014.60.2240

18

1987.2

111

27.1

37.5

18'

013.40.2240

2418

2065

144

2350

2131

48

33

M30

60

8

2241

2238

132

12

120

0.5

16

1990.4

125

24.1

33.3

1393

014.40.2240

18

1987.2

111

27.1

37.5

19

013.60.2500

2678

2325

144

2610

2391

56

33

M30

60

8

2502

2498

132

12

120

0.5

18

2239.2

125

27.1

37.5

1580

014.60.2500

20

2228

112

30.1

41.8

19'

013.40.2500

2678

2325

144

2610

2391

56

33

M30

60

8

2501

2498

132

12

120

0.5

18

2239.2

125

27.1

37.5

1580

014.40.2500

20

2228

112

30.1

41.8

20

013.60.2800

2978

2625

144

2910

2691

56

33

M30

60

8

2802

2798

132

12

120

0.5

18

2527.2

141

27.1

37.5

1800

014.60.2800

20

2528

127

30.1

41.8

20'

013.40.2800

2978

2625

144

2910

2691

56

33

M30

60

8

2801

2798

132

12

120

0.5

18

2527.2

141

27.1

37.5

1800

014.40.2800

20

2528

127

30.1

41.8

21

013.75.3150

3376

2922

174

3286

3014

56

45

M42

84

8

3152

3147

162

12

150

0.5

20

2828

142

37.7

52.2

2840

014.75.3150

22

2824.8

129

41.5

57.4

21'

013.50.3150

3376

2922

174

3286

3014

56

45

M42

84

8

3152

3148

162

12

150

0.5

20

2828

142

37.7

52.2

2840

014.50.3150

22

2824.8

129

41.5

57.4

注:
1、n1为润滑油孔数,均布:油杯M10×1 JB/T7940.1-JB/T7940.2
2、安装孔n-dn1、n-dn2可改用螺孔;齿宽b可改为H-h。
3、表内齿轮圆周力为最大圆周力,额定圆周力取其1/2。
4、内齿修顶系数为0.2。